
You can find out more Diagram below
1992 Honda Accord Engine Diagram Shopnext Co
2008 Honda Accord Subwoofer Wiring Diagram Stereo Fuse Panel
93 Mustang Turn Signal Wiring Diagram Wiring Library
1997 Honda Accord Turn Signal Wiring Diagram Image Details
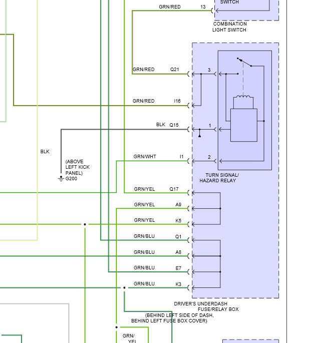
2003 Honda Accord Turn Signal Wiring Diagram Wiring Diagram
Turn Signal Failure The Turn Signals Stopped Working What
1993 Honda Accord Wiring Harness Diagram Wiring Diagram
Bmw 525i Wiring Diagrams 1996 Gmc Jimmy Diagram Yamaha Boat
2007 Accord Turn Signal Wiring Diagram Wiring Resources
Honda Cl90 Wiring Diagram
Wiring Diagram For 2006 Honda Accord Wiring Diagram
1993 Honda Accord Wiring Diagram Bcberhampur Org
2003 Honda Accord Wiring Diagram Wiring Diagram
1989 Chevy 3500 Wiring Diagram Throttle Body Additionally
1994 Honda Accord Engine Diagram Lx Civic Ex Harness 19
0 comments:
Post a Comment